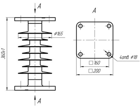
Изолятор опорный стержневой полимерный
ОСК 20-20/125-3 исполнение 01
Полимерный опорный-стержневой изолятор ОСК 20-20/125-3 исполнение 01 предназначен для изоляции и крепления токоведущих частей в электрических аппаратах, распределительных устройствах, электрических станций и подстанций переменного тока номинальным напряжением 20 кВ. Опорный стержневой полимерный изолятор предназначен для работы в температурном диапазоне от –60° до +50°С на высоте не более 1000 м над уровнем моря.
Структура условного обозначения изолятора ОСК 20-20/125-3-01 УХЛ1:
- О - опорный;
- С - стержневой;
- К - кремнийорганическая защитная оболочка изолятора;
- 20 - минимальная разрушающая сила на изгиб, кН;
- 20 - номинальное напряжение изолятора, кВ;
- 125 - испытательное напряжение грозового импульса 1,5/50, кВ;
- 3 - степень загрязнения изоляции в соответствии с ГОСТ 9920;
- 01 конструктивное исполнение изолятора
- УХЛ1 - климатическое исполнение и категория размещения по ГОСТ 15150.
Опорные стержневые полимерные изоляторы ОСК-20-20/125-3-01 УХЛ1 предназначены для замены фарфоровых изоляторов ИОС-20/2000-01 УХЛ1, ИОС-20-2000-01 УХЛ 1, ИОС20-2000-01УХЛ1, ОИС-20-2000-01 УХЛ1, ИОС20-2000-01 УХЛ1, ИОС-20-2000-01 УХЛ1, ИОС20-2000-01УХЛ1
Изолятор ОСК 20-20/125-3 исполнение 01 УХЛ1 соответствует требованиям СОУ МПЕ 40.1.51.302:2006.
| Показник | ОСК 20-20/125-3-01 |
| Номінальна напруга, кВ | 20 |
| Нормована руйнуюча механічна сила при вигині, кН, не менше | 20 |
| Ступінь забруднення атмосфери по ГОСТ 9920 | 3 |
| Напруга, що витримується, кВ: | |
| грозового імпульсу «1,2/50»; | 125 |
| промислової частоти: | |
| у сухому стані; | 95 |
| під дощем | 80 |
| 50% розрядна напруга в забрудненому і зволоженому стані, при питомій поверхневій провідності 20 мкСм, кВ | 42 |
| Довжина шляху витоку, мм | 800±50 |
| Рівень часткових розрядів при нормованій напрузі, пКл | ≤2 |
Варианты обозначения полимерных аналогов: ОСК 20-20-Г-2 УХЛ1, ОСК 20-20-К-2 УХЛ1, ОСК 20-20-E-2 УХЛ1, ОСК 20-20-Н-2 УХЛ1, ОСК 20-20-Д-2 УХЛ1, ИОСК 20-20-280-2, ИОСК 20-20-210-2, ИОСК 20-20-175-2, ИОСК 20-20-280-3, ИОСК 20-20-210-3, ИОСК 20-20-175-3
