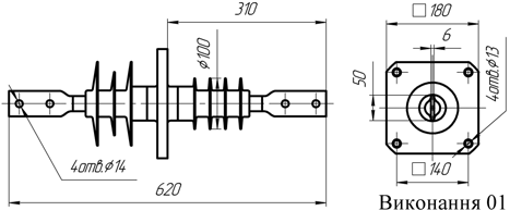
Изолятор проходной полимерный ППЦ-10/630-8 УХЛ1 исполнение 01
Изолятор проходной ППЦ-10/630-8 УХЛ1 исполнение 01 (квадратный фланец), аналог керамического изолятора ИПУ-10/630-7,5-02 УХЛ1, ИПУ 10/630-7,5-II УХЛ1, которй производится нашим предприятием в Украине, предназначен для ввода и изоляции токоведущих частей закрытых распределительных устройств электрических станций и подстанций (ТП), комплектных распределительных устройств (КТП), соединения с открытыми распределительными устройствами или линиями электропередачи на переменное напряжение 10 кВ частоты до 100 Гц, для работы в атмосфере типов I или II по ГОСТ 15150-69, а также для закрытых токопроводов.
Изолятор ППЦ 10/630-8 УХЛ1 исполнение 01 применяется для ремонта и комплектации трансформаторных подстанций КТП мощностью до 100, 160, 200, 300, 400, 630 кВа.
| Назва параметру | ППЦ-10/630-8 УХЛ1 исполнение 01 (Квадратный фланець) |
| Номінальна напруга, кВ | 10 |
| Номінальний струм, А | 630 |
| Нормована руйнуюча механічна сила при вигині, не менше, кН | 8 |
| Напруга, грозового імпульсу «1,2/50», що витримується, кВ: Напруга промислової частоти, що витримуэться: у сухому стані; під дощем |
80 45 |
| Витримувальна напруга промислової частоти, кВ, в забрудненому та вологому стані при питомій поверхневій провідності забрудненого шару, що рівняється (35±1,0) мкСм, не менше | 12 |
| Довжина шляху витоку зовнішньої ізоляції, мм, не менше | 380 |
| Довжина шляху витоку внутрішньої ізоляції, мм, не менше | 290 |
| Маса, кг, не більше | 4,2 |
Варианты обозначения полимерных аналогов:ИПК 10/630-IV/II-Б УХЛ1, ИПК 10/630-IV/II-БМ УХЛ1, ИППУ-10/630-8-02 УХЛ1
Заменяют фарфоровый проходной изолятор 10кВ: ИПУ-10/630-7,5-02 УХЛ1, ИПУ10/630-7,5 02 УХЛ1, ИПУ-10/630-II-7,5 УХЛ1
